Rätt lufttemperatur inomhus är viktigt för komforten. Allt fler byggnader har ett intermittent behov av kylning. RETCOOL® är Retermia Oy:s unika sätt att vintertid återvinna värme från ventilation och sommartid kyla tilluften med samma nålvärmeväxlare.
Energieffektiv kylning
I RETCOOL®-systemet utförs kylning ekonomiskt: med litet vätskeflöde och varm inkommande och utgående temperatur till värmeväxlarna. Detta minimerar effektförluster på grund av tilluftskondens, och effektiviteten förbättras.
Tack vare det låga tryckfallet på nålvärmeväxlarens luftsida kan kylkapaciteten ökas genom att först öka luftvolymen och sedan sänka temperaturen på den lösning som kommer in i tilluftsbatteriet eller öka vätskeflödet till tilluftsbatteriet. Kylning kan implementeras så ekonomiskt som möjligt med en stor temperaturskillnad på lösningssidan, även om variationen i kylbelastningen är stor.
Driftsprincipen för RETCOOL®
I RETCOOL överförs kylenergi till värmeåtervinningssystemet på sommaren. Frånluftsvärmeväxlarna i värmeåtervinningskretsen förbikopplas. Vätskelösningen cirkuleras mellan tilluftsvärmeväxlarna och bufferttanken på en vätskekylare eller en värmeväxlare.
Prefabricerade shuntgrupper finns tillgängliga hos Retermia. Shuntgrupper innehåller alla nödvändiga ventiler och de mät- och styranordningar som behövs för att styra och optimera värmeåtervinning och kylning: förinstallerade, korrekt dimensionerade och med bruksanvisning.
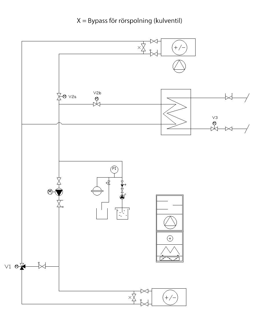
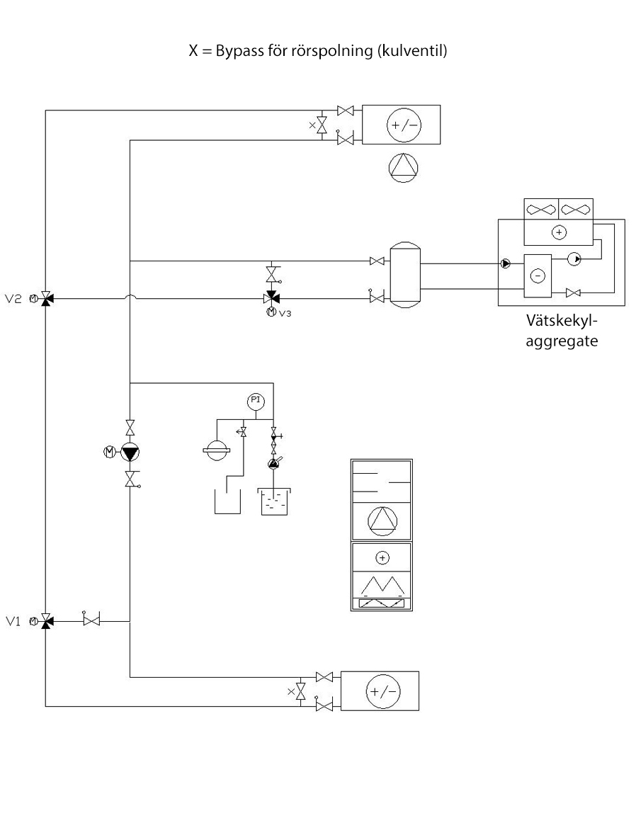
Principen för RETCOOL-kylning. Vid kylning cirkuleras brinelösning antingen genom bufferttanken på en brinekylare (vänster bild) eller genom en värmeväxlare (höger bild).
Den perfekta lösningen för fjärrkyla
En nålvärmeväxlare är en optimal värmeväxlare för fjärrkyla. Tilluftskylning kan utföras med hög inkommande vätsketemperatur och en betydligt större temperaturskillnad än i traditionella värmeväxlare. Till exempel, med vätsketemperaturer 11/21 °C, uteluft 27 °C & 50% RH kan kylas till
15–17 grader Celsius. Luftsidans tryckfall är bara 30–60 Pa. Detta leder till lägre årliga avgifter för fjärrkyla. Dessutom har kylningen utförts med minimal fläktelförbrukning.
Enkel kylning även för gamla byggnader
Sjukhus, äldreboenden, vårdcentraler och många andra liknande byggnader lider ofta av för höga inomhustemperaturer på sommaren. Å andra sidan finns det behov av tilluftsuppvärmning under andra årstider. Samma byggnad kräver därför både värmeåtervinning och kylning.
I befintliga byggnader är det ofta svårt att hitta plats för en kylväxlare i det gamla luftbehandlingsaggregatet. Kylväxlarens tryckförlust (luftmotstånd) kan öka fläktens elförbrukning så mycket att fläktarna måste bytas ut mot mer effektiva. Indirekta kostnader uppstår, inte bara från den energi som förbrukas av kylaggregatet, utan också från fläktinvesteringen och fläktens ökade elförbrukning.
Med Retermia-lösningen undviker man ytterligare kostnader och problem. Retermias värmeåtervinningsväxlare fungerar alternativt (eller, om så önskas, endast) som kylväxlare. Den kan placeras t.ex. på taket. Utrymmesbrist i fläktrummet är inget problem. Tack vare sin unika konstruktion har nålvärmeväxlaren ett mycket lågt luftmotstånd. Det finns ingen anledning att byta ut fläktarna: de gamla fläktarna har tillräckligt effekt för att upprätthålla samma luftflöde. Detta sparar el – och pengar, eftersom separata kylväxlare eller nya fläktar inte behövs. Samtidigt uppnås ett behagligt inomhusluftklimat året runt.