RETCOOL® JÄÄHDYTYS

Sisäilman oikea lämpötila on tärkeä viihtyvyyden kannalta. Yhä useammassa rakennuksessa esiintyy ajoittaista jäähdytystarvetta. RETCOOL® on Retermia Oy:n uniikki tapa suorittaa talviaikainen tuloilman lämmöntalteenotto ja kesäaikainen tuloilman jäähdytys samalla neulalämmönsiirtimellä.

Energiataloudellista viilennystä

RETCOOL® jäähdytys toteutetaan taloudellisesti korkealla nesteen lämpötilatasolla, suurella nesteen lämpenemällä neulalämmönsiirtimessä ja pienellä nestevirtaamalla. Täten tuloilman kondensoinnin aiheuttamat tehohäviöt minimoituvat ja kylmän tuoton hyötysuhde paranee.

Neulalämmönsiirtimen alhaisen ilmapuolen painehäviön ansiosta jäähdytystehoa voidaan lisätä ensin ilmamääriä kasvattamalla ja seuraavana portaana laskea tulopatterille tulevan liuoksen lämpötilaa tai kasvattaa tulopatterille tulevaa nestevirtaa. Jäähdytys pystytään toteuttamaan mahdollisimman taloudellisesti suurella liuospuolen lämpötilaerolla, vaikka jäähdytyskuorman vaihtelu olisi suurta.

RETCOOL® jäähdytyksen toimintaperiaate

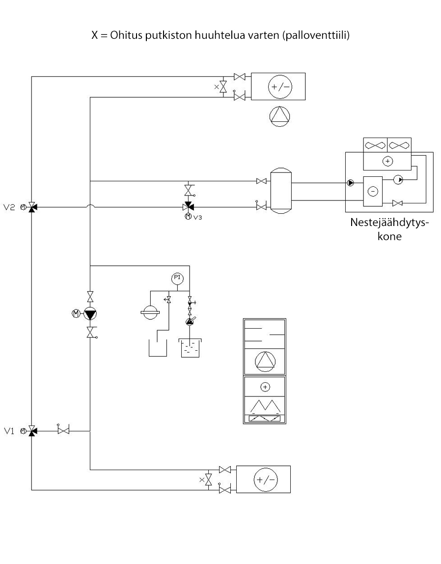
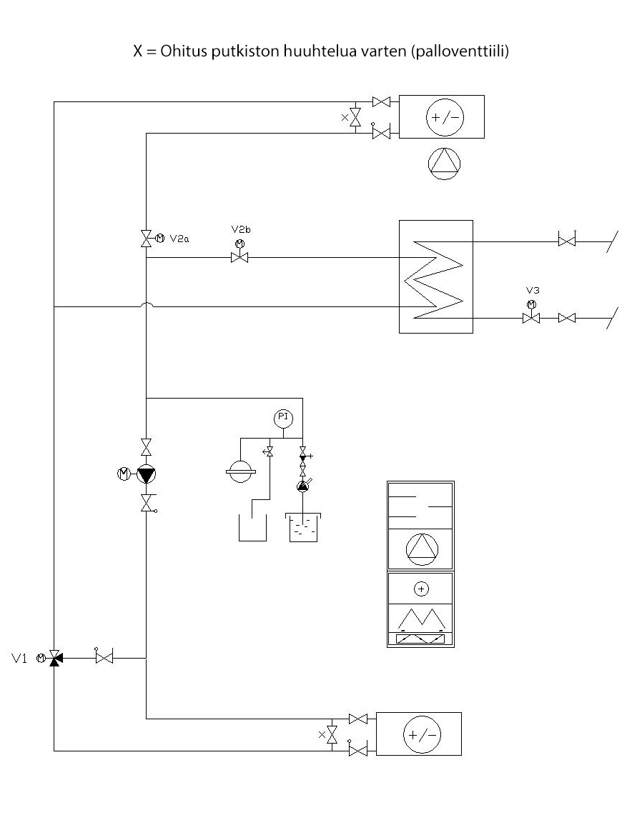
RETCOOL® jäähdytyksessä nestekiertoiseen LTO-järjestelmään siirretään kesällä jäähdytysenergiaa. LTO-piirin poistopatterit ohitetaan jäähdytyskäytöllä, jolloin liuosta kierrätetään joko jäähdytyskoneen tasaussäiliön tai levylämmönvaihtimen välillä.

Retermialta saa valmiin toimilaitepaketin, joka sisältää kaikki tarvittavat venttiilit ja mitta- ja säätölaitteet lämmöntalteenoton ja jäähdytyksen säätämiseksi ja optimoimiseksi: valmiiksi asennettuna, oikein mitoitettuna ja toimintaselostuksilla varustettuna.

RETCOOL® jäähdytyksen periaate. Jäähdytyskäytössä liuosta kierrätetään joko
jäähdytyskoneen tasaussäiliön (vasen kuva) tai levylämmönvaihtimen (oikea kuva) välillä
.

Ideaalinen ratkaisu kaukokylmäjäähdytykseen

Neulalämmönsiirrin on optimaalinen lämmönsiirrin kaukokylmäjäähdytykseen. Tuloilman jäähdytys voidaan toteuttaa perinteistä jäähdytyspatteria merkittävästi suuremmalla nesteen lämpötilaerolla ja korkealla tulevan liuoksen lämpötilalla. Esimerkiksi 11/21 °C liuospuolen lämpötiloilla 27 °C & 50 % RH ulkoilma voidaan jäähdyttää 15–17 asteeseen ilmapuolen painehäviön ollessa vain 30–60 Pa. Tämä johtaa alhaisempiin kaukokylmän vuosimaksuihin. Lisäksi jäähdytys on toteutettu minimaalisella puhallinsähkön kulutuksella.

Jäähdytystä helposti myös vanhoihin rakennuksiin

Sairaaloissa, vanhainkodeissa, terveyskeskuksissa ja monissa muissa rakennuksissa kärsitään tyypillisesti kesäisin liian korkeasta sisälämpötilasta. Toisaalta muina vuoden aikoina on tarvetta tuloilman lämmitykselle. Samaan rakennukseen tarvitaan sekä lämmön talteenotto että jäähdytys.

Olemassa oleviin rakennuksiin on usein vaikea lisätä jäähdytyspatteria. Vanhassa IV-koneessa ei usein ole tilaa lisätä jäähdytyspatteria. Jäähdytyspatterin ilmanvastus saattaa lisätä puhaltimen sähkötehon tarvetta niin paljon, että puhaltimet on vaihdettava tehokkaampiin. Jäähdytyskoneen käyttämän energian lisäksi syntyy siten ylimääräisiä epäsuoria kustannuksia: puhallininvestointi ja puhaltimen suurentuneen sähkönkulutuksen tuoma lisälasku.

Retermian ratkaisussa lisäkustannuksilta ja ongelmilta vältytään. Retermian kehittämä lämmöntalteenottolaite toimii samalla (tai haluttaessa pelkästään) jäähdytyspatterina. Se voidaan sijoittaa esimerkiksi katolle, joten konehuoneen ahtaus ei ole ongelma. Neulalämmönsiirtimen ainutlaatuisen rakenteen vuoksi sen aiheuttama ilmanvastus on hyvin alhainen. Puhaltimia ei tarvitse vaihtaa, vaan vanhojen laitteiden teho riittää saman ilmavirtauksen säilyttämiseen. Näin säästetään sähköä ja erillisten jäähdytyspattereiden sekä uusien puhaltimien hankintahinta. Samalla saavutetaan miellyttävä sisäilmasto ympäri vuoden. MIV-hanke: Keskitetyn jäähdytyksen lisääminen.